-
2 x Push-Pull + 1 x analog 4-20 mA / 0-10 V
-
600 mm
65 - 600 mm
胶体的
IO-Link
接近开关/漫反射模式
反射板模式
窗口模式
模拟量距离测量
接近开关/漫反射模式
反射板模式
窗口模式
模拟量距离测量
小型胶体设计
IO-Link version 1.1
Smart Sensor Profile
UL listed
QuickLock mounting bracket
2nd output switchable
IO-Link version 1.1
Smart Sensor Profile
UL listed
QuickLock mounting bracket
2nd output switchable
回波传播时间
400 kHz
65 mm
350 mm
600 mm
± 0.15 %
± 1 % (内置温度漂移补偿)
0,1 mm
0,17 mm
9 - 30 V d.c.,反极性保护
± 10 %
≤ 50 mA
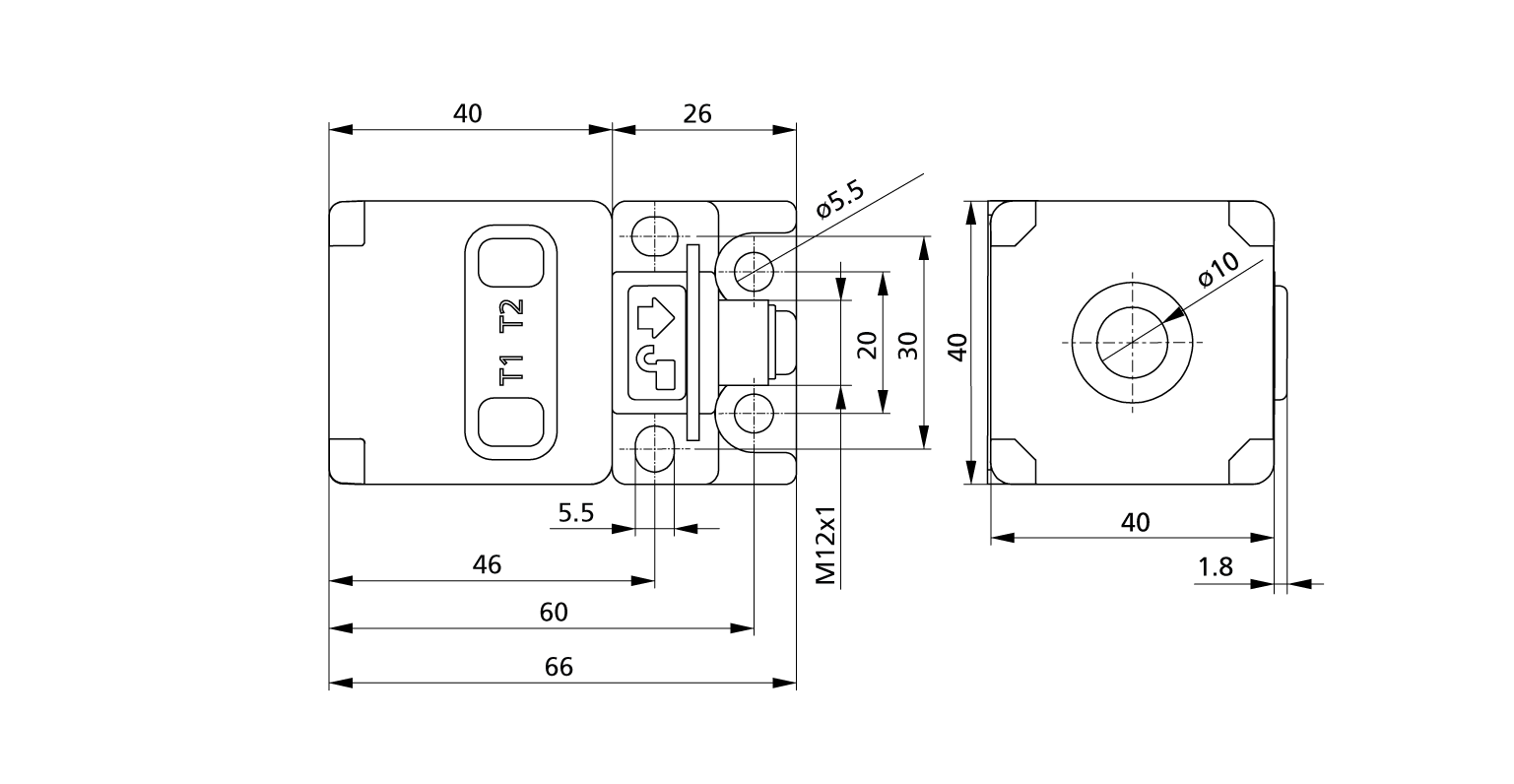
5芯M12接插件
switching output
Push-Pull, UB-3 V, -UB+3 V,Imax = 100 mA
常开/常闭,可调节,短路保护
Push-Pull, UB-3 V, -UB+3 V,Imax = 100 mA
常开/常闭,可调节,短路保护
模拟量电流输出:4-20 mA / 电压输出: 0-10 V (当 UB ≥ 15 V),短路保护,可切换,递增/递减
switching output
Push-Pull, UB-3 V, -UB+3 V,Imax = 100 mA
常开/常闭,可调节,短路保护
switching output
Push-Pull, UB-3 V, -UB+3 V,Imax = 100 mA
常开/常闭,可调节,短路保护
5 mm
12 Hz
64 ms
< 300 ms
com端输入
同步输入
自学习输入
同步输入
自学习输入
cube-35/FFIU
43240
是
COM2 (38,4 kBaud)
16 ms
16 Bit, R, UNI16
Bit 0: state SSC1; Bit 1: state SSC2 or ASC1; Bit 2-4: signal stability; Bit 5-7: signal level; Bit 8-15: scale (Int. 8); Bit 16-31: measured value (Int. 16)
Identification, measuring configuration, switched output, filter, temperature compensation, operation
SP1 Teach-in, SP2 Teach-in, factory settings
是
IODD版本1.1.2
PA
泡沫聚氨酯,玻璃填充的环氧树脂
IP 67
-25°C to +70°C
-40°C 到 +85°C
120 g
是
2个按键
Teach-in via push-button
Teach-in via com input on pin 5
LCA-2 with LinkControl
IO-Link
Teach-in via com input on pin 5
LCA-2 with LinkControl
IO-Link
是
是
2 x LED 绿灯, 2 x LED 黄灯
小型胶体设计
IO-Link version 1.1
Smart Sensor Profile
UL listed
QuickLock mounting bracket
2nd output switchable
IO-Link version 1.1
Smart Sensor Profile
UL listed
QuickLock mounting bracket
2nd output switchable