附件
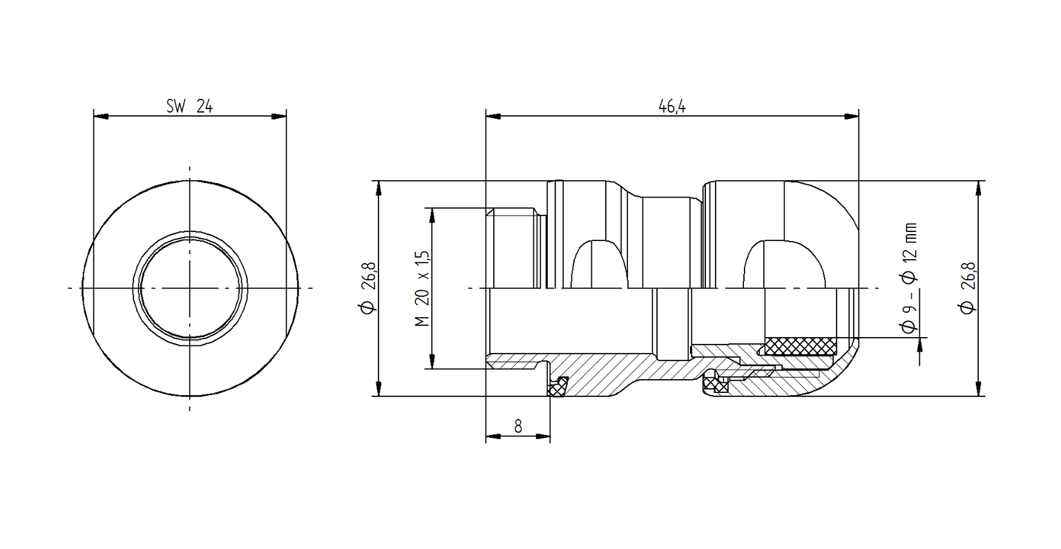
Hygienic screw connection in stainless steel with smooth surfaces for pms sensors with D12 adapter shaft.
高度耐化学性
不锈钢型号
Hygienic Design
ECOLAB
EHEDG (TYPE EL Class I AUX)
不锈钢型号
Hygienic Design
ECOLAB
EHEDG (TYPE EL Class I AUX)
stainless steel
plastic parts: FKM, PA
plastic parts: FKM, PA
Max. 30 Nm
IP 69
-20°C to +100°C
高度耐化学性
不锈钢型号
Hygienic Design
ECOLAB
EHEDG (TYPE EL Class I AUX)
不锈钢型号
Hygienic Design
ECOLAB
EHEDG (TYPE EL Class I AUX)