安装配件

MW-ZWS 3

  • sensor image

    sensor image

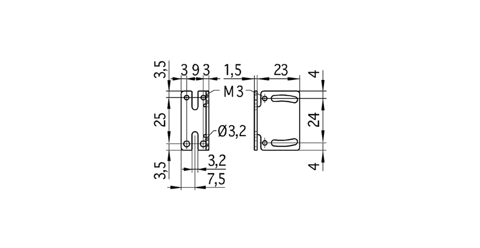
  • Scale drawing

    Scale drawing

附件
超声波传感器zws-7/-15/-24的安装支架
超声波传感器zws-7/.../QS, zws-15/.../QS, zws-24/.../QS系列的安装支架
15 g
Teach-in via push-button
超声波传感器zws-7/.../QS, zws-15/.../QS, zws-24/.../QS系列的安装支架
Top